Kurz EUR platný od 1.1.2026 je 24,245 Kč.

Od 1.1.2026 jsou v platnosti nové ceny sortimentů Siemens, Hummel, Rose, Cembre, Tyco a Finder.
0 Kč
3SU1150-1HB20-1CH0

SIEMENS 3SU1150-1HB20-1CH0, hřibové tlačítko nouzového zastavení, 22 mm, kulaté, kov, s vysokým leskem, červená, 1 NC

3SU1150-1HB20-1CH0
Výrobce: Siemens
Kód zboží:15446
EAN:4011209956865
Rabatová skupinaR1
Cena bez DPH:
568,46 Kč
687,84 Kč s DPH
skladem: 0 ks
- + ks

Dostupnost na pobočkách

Brno
skladem: 0 ks
Praha
skladem: 0 ks
Praha (S)
skladem: 0 ks
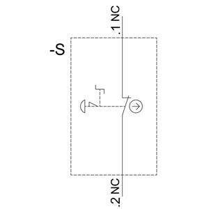
3SU1150-1HB20-1CH0
3SU1150-1HB20-1CH0 - rozměrový výkres 3SU1150-1HB20-1CH0 3SU1150-1HB20-1CH0 - schéma 2

Popis

    Hřibové tlačítko nouzového zastavení

    Hřibové tlačítko nouzového zastavení SIRIUS ACT je určeno pro řízení bezpečnostně orientovaných aplikací s ochranou před přetížením.

    Technické detaily:

    • Průměr hřibu: 30/40/60 mm
    • Konstrukce: kulaté, kov, vysoký lesk, červené
    • Funkce: nucená aretace, odblokování otočením
    • Podle normy: DIN EN ISO 13850
    • Typ kontaktu: 1NC
    • Montáž: bez použití speciálního nářadí, otvory bez drážek
    • Stupeň krytí: vysoký, vhodné pro průmyslové a venkovní použití
    • Možnosti připojení: PROFINET, AS-Interface, IO-Link

    Výhody pro zákazníky:

    • Jednoduchá montáž jednou rukou
    • 100% ochrana proti přetočení
    • Odolnost vůči prachu, olejům a agresivním louhům
    • Úspora nákladů na kabeláž a minimalizace zdrojů chyb
    • Flexibilita v připojení a konfiguraci
    • Široká dokumentace a online konfigurátor pro snadný výběr a objednání

Technické parametry

Barva tlačítkaČervený 
Počet kontaktů NC
Počet příkazových pozic
Průměr otvoru22 mm
S předním kroužkemne 
Stupeň ochrany (IP)IP67/IP69K 
Šířka otvoru75 mm
Typ tlačítkaHouba 
Vhodné pro osvětleníne 
Výška otevření46 mm

Přílohy

Technické specifikace se mohou změnit bez výslovného upozornění. Obrázky mají pouze informativní charakter.

Čekejte prosím...