Kurz EUR platný od 1.1.2026 je 24,245 Kč.

Od 1.1.2026 jsou v platnosti nové ceny sortimentů Siemens, Hummel, Rose, Cembre, Tyco a Finder.
0 Kč
3SE5250-0MC05

SIEMENS 3SE5250-0MC05, polohový spínač, plastové těleso 30 mm 1 NO/2 NC, plíživé kontakty

3SE5250-0MC05
Výrobce: Siemens
Kód zboží:16723
EAN:4011209856349
Rabatová skupinaR1
Cena bez DPH:
355,42 Kč
430,06 Kč s DPH
skladem: 0 ks
- + ks

Dostupnost na pobočkách

Brno
skladem: 0 ks
Praha
skladem: 0 ks
Praha (S)
skladem: 0 ks
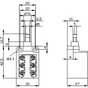
3SE5250-0MC05
3SE5250-0MC05 - rozměrový výkres

Popis

    Polohový spínač plastový kryt, 30 mm nezapouzdřený 30 mm 1NO/2NC

    Polohový spínač SIRIUS 3SE5 je navržen pro použití jako pomocný kontakt ve skříních, zejména v suchých a čistých prostředích.

    Technické detaily:

    • Typ: nezapouzdřený polohový spínač
    • Rozměr: 30 mm
    • Kontakty: 1NO/2NC plíživé kontakty s překrytím
    • Materiál: plastový kryt, kovová palička
    • Ochrana: IP10
    • Upevnění a spínací body podle EN 50047
    • Schválení: IEC, UL
    • Varianty: různé spínací členy (skok, plíživý, plíživý s překrytím)

    Výhody pro zákazníky:

    • Kompaktní konstrukce pro montáž v místech s nedostatkem prostoru
    • Zvýšená odolnost proti oděru díky pevné kovové paličce
    • Široké možnosti použití v suchých a čistých prostředích
    • Globální schválení zajišťující vysokou úroveň bezpečnosti

Technické parametry

Délka senzoru59 mm
Jmenovitý provozní proud Ie při AC-15, 24 V6 A
Jmenovitý provozní proud Ie při DC-13, 125 V0,55 A
Jmenovitý provozní proud Ie při DC-13, 24 V3 A
Kategorie výbušné bezpečnosti pro prachŽádný 
Kategorie výbušnosti pro plynŽádný 
Materiál pouzdraPlast 
Nucené otevřeníano 
Okolní teplota během provozu-25 °C
Počet bezpečnostních pomocných kontaktů
Počet kontaktů NC
Počet kontaktů NO
Povrchová úprava krytuOstatní 
Provozní teplota okolí85 °C
Se signalizací stavune 
Spínací funkceSpínač s pomalou akcí 
Spínací funkce s aretacíne 
Stupeň ochrany (IP)IP10 
Šířka30 mm
Typ elektrického připojeníOstatní 
Typ ovládacího prvkuPíst 
Typ rozhraníŽádný 
Typ rozhraní pro bezpečnostní komunikaciŽádný 
Vhodné pro bezpečnostní funkceano 
Vyrovnání ovládacího prvkuVálečková vačka rovná 
Výška27,00 mm

Přílohy

Technické specifikace se mohou změnit bez výslovného upozornění. Obrázky mají pouze informativní charakter.

Čekejte prosím...