Kurz EUR platný od 1.1.2026 je 24,245 Kč.

Od 1.1.2026 jsou v platnosti nové ceny sortimentů Siemens, Hummel, Rose, Cembre, Tyco a Finder.
0 Kč
3SE5242-0LE10

SIEMENS 3SE5242-0LE10, polohový spínač, plastové těleso, EN50047

3SE5242-0LE10
Výrobce: Siemens
Kód zboží:15431
EAN:4011209695139
Rabatová skupinaR1
Cena bez DPH:
581,12 Kč
703,16 Kč s DPH
skladem: 0 ks
- + ks

Dostupnost na pobočkách

Brno
skladem: 0 ks
Praha
skladem: 0 ks
Praha (S)
skladem: 0 ks
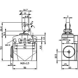
3SE5242-0LE10
3SE5242-0LE10 - rozmerový výkres

Popis

    Polohový spínač SIRIUS 3SE5

    Mechanický polohový spínač určený k zjištění pozice a monitorování polohy strojních částí.

    Technické detaily:

    • Plastový kryt podle DIN EN 50047
    • 50 mm přístrojová přípojka 2 x (M20 x 1,5)
    • 1NO/2NC okamžikové kontakty
    • Páka s plastovou kladkou 13 mm
    • Spínací body a upevnění podle EN 50047 a EN 50041
    • Schváleno po celém světě (IEC, UL)
    • Odpovídající konfigurace spínačů pro splnění nejvyšších bezpečnostních požadavků podle PL e nebo SIL 3
    • Integrovaná elektronika ASIsafe s malým příkonem proudu
    • Dostupné různé velikosti krytů, s různými spínacími členy, z plastu nebo kovu nebo v kompaktní konstrukci
    • Některé varianty volitelně s LED stavovou indikací a konektorem samec M12
    • Příslušenství: hnací hlavy a konektory, další montážní/připojovací příslušenství

    Zákaznické výhody:

    • Modulární konstrukce s velkým množstvím variant při malém počtu typů ložisek
    • Velká variantnost konektorů a kladek pro splnění požadavků v průmyslových oblastech
    • LED ukazatele pro zobrazení aktuálního stavu zařízení
    • Rychlospojovací systém pro výrazné snížení doby připojení
    • Portfolium 3SF1 s přímým napojením na sběrnicový systém AS-Interface

    Zřeknutí se odpovědnosti: Generováno AI.

Technické parametry

Délka senzoru80 mm
Jmenovitý provozní proud Ie při AC-15, 24 V6 A
Jmenovitý provozní proud Ie při DC-13, 125 V0,55 A
Jmenovitý provozní proud Ie při DC-13, 24 V3 A
Kategorie výbušné bezpečnosti pro prachŽádný 
Kategorie výbušnosti pro plynŽádný 
Konstrukční typ krytuKrychlový 
Materiál pouzdraPlast 
Nucené otevřeníano 
Okolní teplota během provozu-25 °C
Počet bezpečnostních pomocných kontaktů
Počet kontaktů NC
Počet kontaktů NO
Povrchová úprava krytuOstatní 
Provozní teplota okolí85 °C
Se signalizací stavune 
Spínací funkceRychlojistič 
Spínací funkce s aretacíne 
Stupeň ochrany (IP)IP66/IP67 
Stupeň ochrany (NEMA)12 
Šířka50 mm
Typ elektrického připojeníOstatní 
Typ ovládacího prvkuVálečková páka 
Typ rozhraníŽádný 
Typ rozhraní pro bezpečnostní komunikaciŽádný 
Vhodné pro bezpečnostní funkceano 
Vyrovnání ovládacího prvkuRolovací vačka rovná 
Výška33,00 mm

Přílohy

Technické specifikace se mohou změnit bez výslovného upozornění. Obrázky mají pouze informativní charakter.

Čekejte prosím...