Kurz EUR platný od 1.1.2026 je 24,245 Kč.

Od 1.1.2026 jsou v platnosti nové ceny sortimentů Siemens, Hummel, Rose, Cembre, Tyco a Finder.
0 Kč
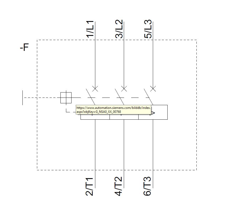
3RV2321-4PC10

SIEMENS 3RV2321-4PC10, výkonový jistič, S0 pro spouštěcí kombinaci 36A, N spoušť 432A

3RV2321-4PC10
Výrobce: Siemens
Kód zboží:74441
EAN:4011209716353
Rabatová skupinaR1
Cena bez DPH:
2 002,80 Kč
2 423,39 Kč s DPH
skladem: 0 ks
- + ks

Dostupnost na pobočkách

Brno
skladem: 0 ks
Praha
skladem: 0 ks
Praha (S)
skladem: 0 ks
3RV2321-4PC10
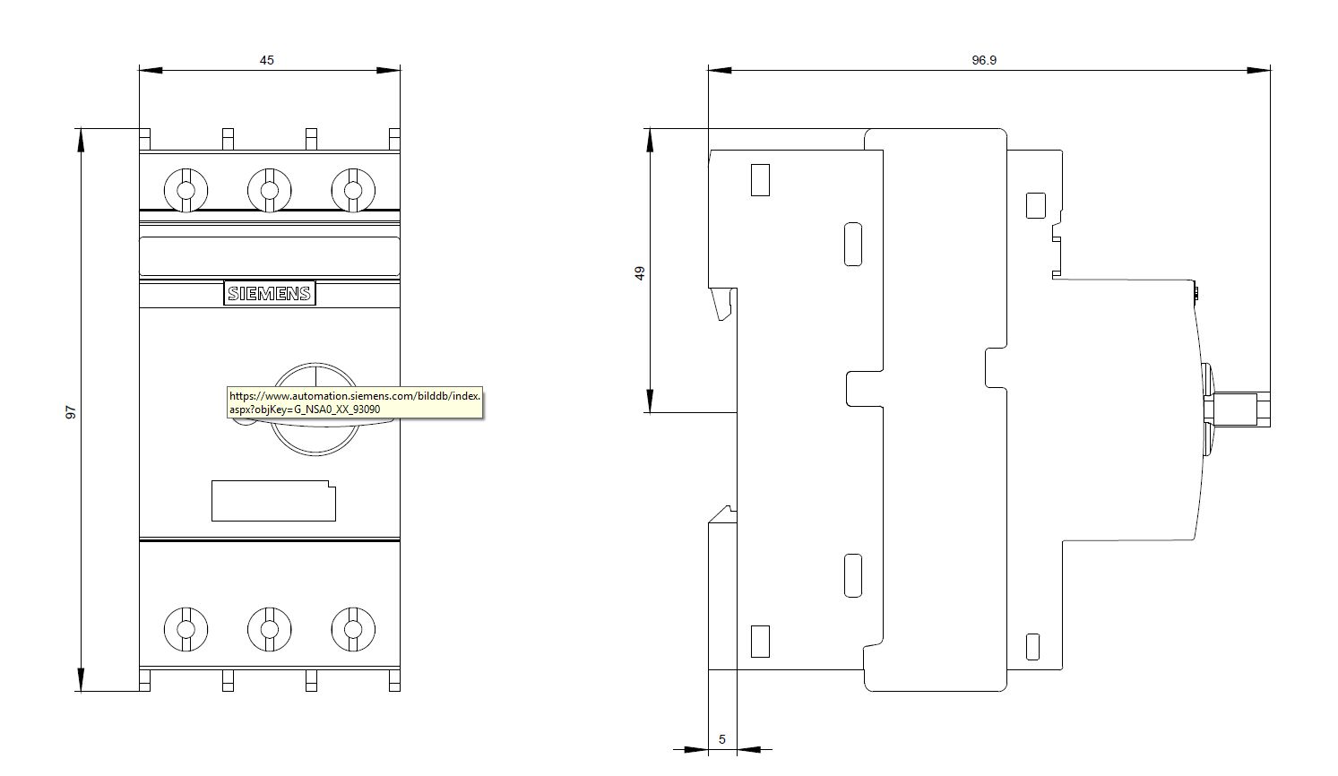
3RV2321-4PC10 - Rozměrový výkres 3RV2321-4PC10

Popis

    Výkonový jistič konstrukční velikost S0

    Výkonový jistič SIRIUS 3RV2 je určen k bezpečné ochraně spotřebičů při zkratu a k bezpečnému odpojení od sítě.

    Technické detaily:

    • Jmenovitý proud: 36 A
    • N-spoušť: 432 A
    • Šroubová svorka pro standardní spínací schopnost
    • Kompaktní a klimaticky odolné provedení
    • Optimalizováno pro motory IE3/IE4
    • Schválení: IEC a UL/CSA
    • Možnost použití v aplikacích s nebezpečím výbuchu (ATEX nebo IEC Ex)
    • Dostupné varianty pro ochranu motoru, strojního zařízení, transformátorů a jako hlavní spínač
    • Rychlé, bezúdržbové připojení se šroubovou nebo pružinovou svorkou
    • Volitelně se zabudovaným pomocným kontaktem
    • Jednotné příslušenství pro všechny konstrukční velikosti
    • Možnosti energetického napájení pro zjednodušení zapojení hlavního proudového okruhu

    Výhody pro zákazníky:

    • Bezpečná ochrana spotřebičů a zařízení před zkratem
    • Snadné a rychlé připojení bez nutnosti údržby
    • Vysoká odolnost proti chvění a klimatickým podmínkám
    • Flexibilita v aplikacích díky široké škále variant a příslušenství
    • Jednoduché zapojení hlavního proudového okruhu díky různým možnostem napájení
    • Moderní a efektivní systémová stavebnice SIRIUS

Technické parametry

Citlivost na výpadek fázene 
Hloubka97,00 mm
Jmenovitá zkratová vypínací schopnost lcu při 40020 kA
Jmenovité provozní napětí690 V
Jmenovitý provozní výkon při AC-3, 230 V8 kW
Jmenovitý provozní výkon při AC-3, 400 V18,50 kW
Jmenovitý trvalý proud Iu36,00 A
Konstrukce zařízeníVestavěné zařízení pevně vestavěná technika 
Počet pólů
Rozsah nastavení nezpožděné zkratové spouště468,00 A
S integrovanou podpětovou spouštíne 
S integrovaným pomocným spínačemne 
Stupeň ochrany (IP)IP20 
Šířka45 mm
Technika vypínáníMagnetický 
Typ ovládacího prvkuOstatní 
Výška97,00 mm
Způsob připojení hlavního obvoduŠroubové připojení 
Ztráta výkonu16,25 W

Technické specifikace se mohou změnit bez výslovného upozornění. Obrázky mají pouze informativní charakter.

Čekejte prosím...