Kurz EUR platný od 1.1.2026 je 24,245 Kč.

Od 1.1.2026 jsou v platnosti nové ceny sortimentů Siemens, Hummel, Rose, Cembre, Tyco a Finder.
0 Kč
3RV2021-1CA15

SIEMENS 3RV2021-1CA15, výkonový jistič, S0, ochrana motoru, třída 10, A spoušť 1,8-2,5A, N spoušť 33A

3RV2021-1CA15
Výrobce: Siemens
Kód zboží:73650
EAN:4047621003238
Rabatová skupinaR1
Cena bez DPH:
1 186,49 Kč
1 435,65 Kč s DPH
skladem: 0 ks
- + ks

Dostupnost na pobočkách

Brno
skladem: 0 ks
Praha
skladem: 0 ks
Praha (S)
skladem: 0 ks
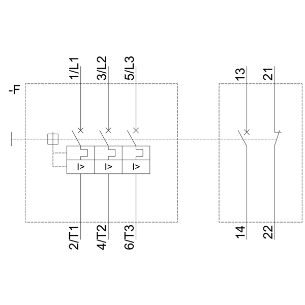
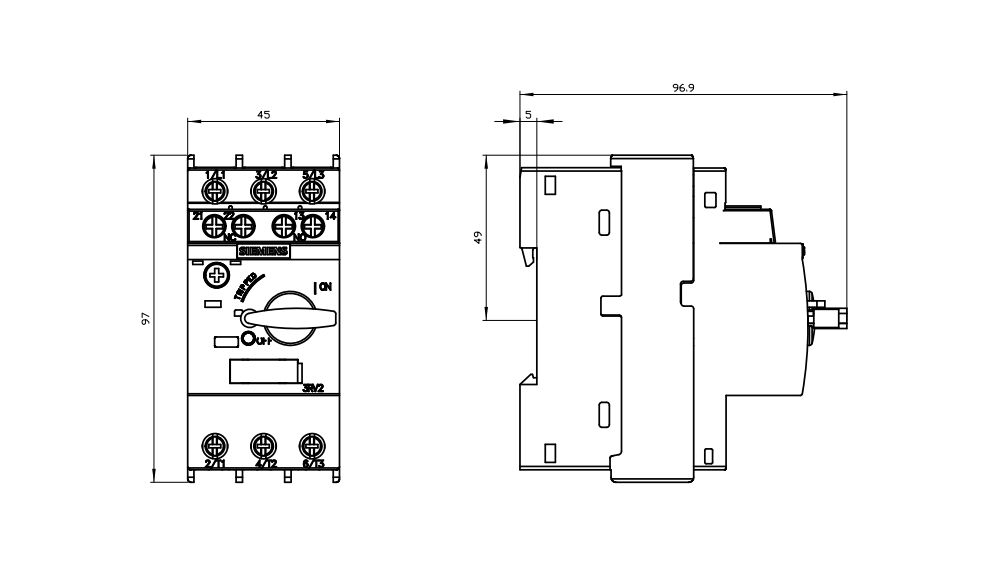
3RV2021-1CA15
3RV2021-1CA15 - Rozměrový výkres 3RV2021-1CA15

Popis

    Výkonový jistič konstrukční velikost S0

    Výkonový jistič SIRIUS 3RV2 je určen pro ochranu motorů a strojního zařízení před zkratem a přetížením, s možností bezpečného odpojení od sítě.

    Technické detaily:

    • Třída 10 A-spoušť 1,8...2,5 A N-spoušť 33 A
    • Standardní spínací schopnost s příčně uloženými pomocnými kontakty 1 NO + 1 NC
    • Kompaktní a klimaticky odolné provedení
    • Schválení po celém světě (IEC a UL/CSA)
    • Možnost použití v aplikacích s nebezpečím výbuchu (ATEX nebo IEC Ex)
    • Varianty pro ochranu motoru, strojního zařízení a transformátorů
    • Rychlé, bezúdržbové připojení se šroubovou nebo pružinovou svorkou
    • Jednotné příslušenství pro všechny konstrukční velikosti

    Výhody pro zákazníky:

    • Bezpečné vypnutí při zkratu a ochrana před přetížením
    • Optimalizováno pro motory IE3/IE4 s nízkým odpadním teplem
    • Jednoduché zapojení hlavního proudového okruhu díky různým možnostem energetického napájení
    • Efektivní a aktuální systémová stavebnice SIRIUS
    • Odolnost proti chvění a volitelné zabudované pomocné kontakty

Technické parametry

Citlivost na výpadek fázeano 
Hloubka97,00 mm
Jmenovitá vypínací schopnost při zkratu lcu při 40100 kA
Jmenovité provozní napětí690 V
Jmenovitý provozní výkon při AC-3, 230 V0 kW
Jmenovitý provozní výkon při AC-3, 400 V0,80 kW
Jmenovitý trvalý proud Iu2,50 A
Konstrukce zařízeníVestavěné zařízení pevně vestavěná technika 
Počet pólů
Rozsah nastavení nezpožděné zkratové spouště33,00 A
S integrovanou podpětovou spouštíne 
S integrovaným pomocným spínačemano 
S tepelnou ochranou proti přetíženíano 
Stupeň ochrany (IP)IP20 
Šířka45 mm
Technika vypínáníMagnetický 
Typ ovládacího prvkuOstatní 
Výška97,00 mm
Způsob připojení hlavního obvoduŠroubové připojení 
Ztráta výkonu7,25 W

Technické specifikace se mohou změnit bez výslovného upozornění. Obrázky mají pouze informativní charakter.

Čekejte prosím...