Kurz EUR platný od 1.1.2026 je 24,245 Kč.

Od 1.1.2026 jsou v platnosti nové ceny sortimentů Siemens, Hummel, Rose, Cembre, Tyco a Finder.
0 Kč
3RV2011-1BA25

SIEMENS 3RV2011-1BA25, výkonový jistič, S00, ochrana motoru, třída 10, A spoušť 1,4-2A, N spoušť 26A

3RV2011-1BA25
Výrobce: Siemens
Kód zboží:74019
EAN:4011209841130
Rabatová skupinaR1
Cena bez DPH:
1 139,03 Kč
1 378,23 Kč s DPH
skladem: 0 ks
- + ks

Dostupnost na pobočkách

Brno
skladem: 0 ks
Praha
skladem: 0 ks
Praha (S)
skladem: 0 ks
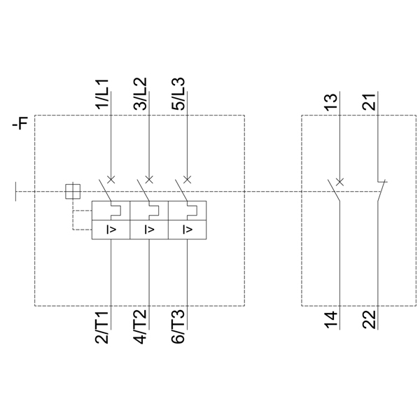
3RV2011-1BA25
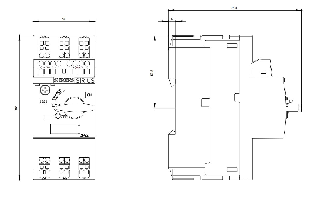
3RV2011-1BA25 - Rozměrový výkres 3RV2011-1BA25

Popis

    Výkonový jistič konstrukční velikost S00

    Výkonový jistič SIRIUS 3RV2 je navržen pro ochranu motorů a strojního zařízení před zkratem a přetížením, zajišťující bezpečné odpojení od sítě.

    Technické detaily:

    • Třída 10 A-spoušť 1,4...2 A N-spoušť 26 A
    • Standardní spínací schopnost s příčně uloženými pomocnými kontakty 1 NO + 1 NC
    • Kompaktní a klimaticky odolné provedení
    • Schválení po celém světě (IEC, UL/CSA)
    • Možnost použití v aplikacích s nebezpečím výbuchu (ATEX nebo IEC Ex)
    • Varianty pro ochranu motoru, strojního zařízení, transformátorů a jako hlavní spínač
    • Rychlé, bezúdržbové připojení se šroubovou nebo pružinovou svorkou
    • Možnost volitelného zabudovaného pomocného kontaktu
    • Jednotné příslušenství pro všechny konstrukční velikosti
    • Jednoduché zapojení hlavního proudového okruhu s různými možnostmi energetického napájení

    Výhody pro zákazníky:

    • Bezpečné vypnutí motorů a strojního zařízení při zkratu
    • Ochrana před přetížením zajišťující dlouhou životnost zařízení
    • Optimalizace pro motory IE3/IE4 s nízkým odpadním teplem
    • Odolnost proti chvění pro spolehlivý provoz
    • Flexibilita v aplikacích díky široké škále variant a příslušenství
    • Snadná instalace a údržba díky bezúdržbovému připojení
    • Moderní systémová stavebnice SIRIUS pro efektivní řešení

Technické parametry

Citlivost na výpadek fázeano 
Hloubka97,00 mm
Jmenovitá vypínací schopnost při zkratu lcu při 40100 kA
Jmenovité provozní napětí690 V
Jmenovitý provozní výkon při AC-3, 230 V0 kW
Jmenovitý provozní výkon při AC-3, 400 V0,75 kW
Jmenovitý trvalý proud Iu2,00 A
Konstrukce zařízeníVestavěné zařízení pevně vestavěná technika 
Nastavení proudu pro odpojení při přetížení1,40 A
Nastavení proudu při přetížení2,00 A
Počet pólů
Rozsah nastavení nezpožděné zkratové spouště26,00 A
S integrovanou podpětovou spouštíne 
S integrovaným pomocným spínačemano 
S tepelnou ochranou proti přetíženíano 
Stupeň ochrany (IP)IP20 
Šířka45 mm
Technika vypínáníMagnetické 
Typ ovládacího prvkuOstatní 
Výška106,00 mm
Způsob připojení hlavního obvoduPružinové svorkové připojení 
Ztráta výkonu7,25 W

Technické specifikace se mohou změnit bez výslovného upozornění. Obrázky mají pouze informativní charakter.

Čekejte prosím...